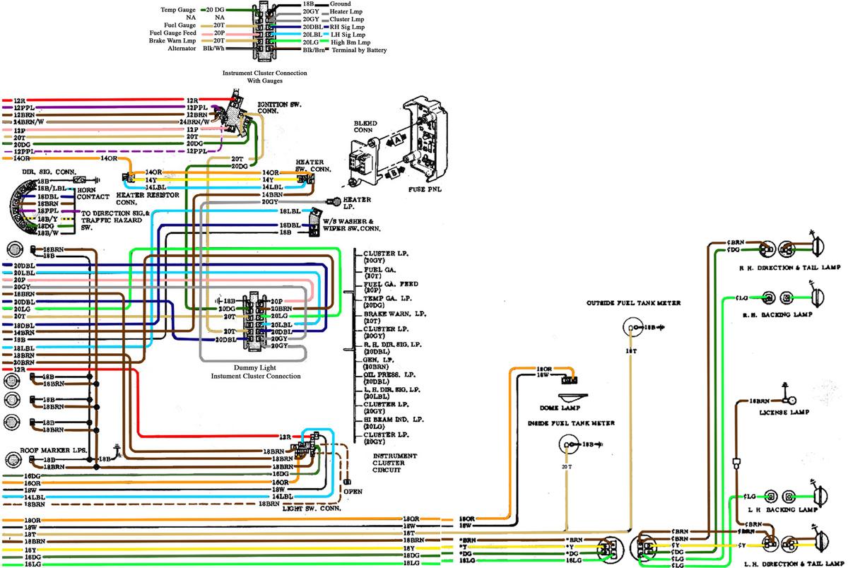
67-72 wiring diagram

 

 

 

 

 

Back to FAQ      Home